產(chan)品(pin)特(te)點(dian):
儀(yi)表(biao)由(you)測(ce)量(liang)係(ji)統(tong)(包(bao)括(kuo)法(fa)蘭(lan)接(jie)頭(tou)、波(bo)紋(wen)膜(mo)片(pian))、傳(zhuan)動(dong)指(zhi)示(shi)機(ji)構(gou)(包(bao)括(kuo)連(lian)杆(gan)、齒(chi)輪(lun)傳(zhuan)動(dong)機(ji)構(gou)、指(zhi)針(zhen)和(hu)度(duo)盤(pan))和(hu)外(wai)殼(qiao)(包(bao)括(kuo)表(biao)殼(qiao)和(hu)罩(zhao)圈(juan))等(deng)組(zu)成(cheng)。儀(yi)表(biao)外(wai)殼(qiao)為(wei)防(fang)濺(jian)結(jie)構(gou),具(ju)有(you)較(jiao)好(hao)的(di)密(mi)性(xing),故(gu)能(neng)保(bao)護(hu)其(qi)內(nei)部(bu)機(ji)構(gou)免(wen)受(shou)汙(wu)穢(hui)浸(jin)入(ru)。
產(chan)品(pin)應(ying)用(yong):
膜(mo)片(pian)壓(ya)力(li)表(biao)適(kuo)用(yong)於(yu)測(ce)量(liang)無(wu)爆(bao)炸(zha)危(wei)險(xian)、不(bu)結(jie)晶(jing)、不(bu)凝(ning)固(gu)、有(you)較(jiao)高(gao)粘(nian)度(duo),但(dan)對(dui)銅(tong)和(hu)銅(tong)合(ge)金(jin)無(wu)腐(fu)蝕(shi)作(zuo)用(yong)的(di)液(ye)體(ti)、氣(qi)體(ti)或(huo)蒸(zheng)汽(qi)的(di)壓(ya)力(li)。
主(zhu)要(yao)用(yong)於(yu)化(hua)學(xue)、石(dan)油(you)、紡(fang)織(zhi)工(gong)業(ye)對(dui)氣(qi)體(ti)、液(ye)體(ti)微(wei)小(xiao)壓(ya)力(li)的(di)測(ce)量(liang),尤(you)其(qi)適(kuo)用(yong)於(yu)腐(fu)蝕(shi)性(xing)強(jiang)、粘(nian)稠(chou)介(jie)質(zhi)(非(fei)凝(ning)固(gu)非(fei)結(jie)晶(jing))的(di)微(wei)小(xiao)壓(ya)力(li)測(ce)量(liang)。
.jpg)
一(yi).產(chan)品(pin)概(gai)述(shu)
|
YPF係(ji)列(lie)膜(mo)片(pian)壓(ya)力(li)表(biao)適(kuo)用(yong)於(yu)測(ce)量(liang)具(ju)有(you)一(yi)定(ding)腐(fu)蝕(shi)性(xing)、非(fei)凝(ning)固(gu)或(huo)非(fei)結(jie)晶(jing)的(di)各(ge)種(zhong)流(liu)體(ti)介(jie)質(zhi)的(di)壓(ya)力(li)或(huo)負(fu)壓(ya)。膜(mo)片(pian)壓(ya)力(li)表(biao)耐(nai)腐(fu)蝕(shi)性(xing)能(neng)取(qu)決(jue)於(yu)膜(mo)片(pian)材(cai)料(liao)。 |
|||||||||||||||||||||||||||||
| 二(er).結(jie)構(gou)原(yuan)理(li) | |||||||||||||||||||||||||||||
|
膜(mo)片(pian)壓(ya)力(li)表(biao)由(you)測(ce)量(liang)係(ji)統(tong)(包(bao)括(kuo)法(fa)蘭(lan)接(jie)頭(tou)、波(bo)紋(wen)膜(mo)片(pian))、傳(zhuan)動(dong)指(zhi)示(shi)機(ji)構(gou)(包(bao)括(kuo)連(lian)杆(gan)、齒(chi)輪(lun)傳(zhuan)動(dong)機(ji)構(gou)、指(zhi)針(zhen)和(hu)度(duo)盤(pan))和(hu)外(wai)殼(qiao)(包(bao)括(kuo)表(biao)殼(qiao)和(hu)罩(zhao)圈(juan))等(deng)組(zu)成(cheng)。膜(mo)片(pian)壓(ya)力(li)表(biao)外(wai)殼(qiao)為(wei)防(fang)濺(jian)結(jie)構(gou),具(ju)有(you)較(jiao)好(hao)的(di)密(mi)性(xing),故(gu)能(neng)保(bao)護(hu)其(qi)內(nei)部(bu)機(ji)構(gou)免(wen)受(shou)汙(wu)穢(hui)浸(jin)入(ru)。 膜(mo)片(pian)壓(ya)力(li)表(biao)的(di)作(zuo)用(yong)原(yuan)理(li)是(shi)基(ji)於(yu)彈(tan)性(xing)元(yuan)件(jian)(測(ce)量(liang)係(ji)統(tong)上(shang)膜(mo)片(pian))變(bian)形(xing)。膜(mo)片(pian)壓(ya)力(li)表(biao)在(zai)被(bei)測(ce)介(jie)質(zhi)的(di)壓(ya)力(li)作(zuo)用(yong)下(xia),迫(po)使(shi)膜(mo)片(pian)產(chan)生(sheng)相(xiang)應(ying)的(di)彈(tan)性(xing)變(bian)形(xing)---位(wei)移(yi),借(jie)助(zhu)連(lian)杆(gan)組(zu)經(jing)傳(zhuan)動(dong)機(ji)構(gou)的(di)傳(zhuan)動(dong)並(bing)予(yu)放(fang)大(dai),由(you)固(gu)定(ding)於(yu)齒(chi)輪(lun)上(shang)的(di)指(zhi)針(zhen)逐(zhu)將(qiang)被(bei)測(ce)值(zhi)在(zai)度(duo)盤(pan)上(shang)指(zhi)示(shi)出(chu)來(lai)。 |
|||||||||||||||||||||||||||||
| 三(san).主(zhu)要(yao)技(ji)術(zhu)指(zhi)示(shi) | |||||||||||||||||||||||||||||
|
精(jing)確(que)度(duo)等(deng)級(ji):2.5 四(si).產(chan)品(pin)型(xing)號(hao) |
|||||||||||||||||||||||||||||
|
|||||||||||||||||||||||||||||
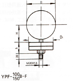
| 五(wu).標(biao)度(duo)範(fan)圍(wei)、外(wai)形(xing)尺(che)寸(cun)及(ji)重(chong)量(liang) | |||||||||||||||||||||||||||||
|
|||||||||||||||||||||||||||||
| *0~40、-40~0、±20KPa規(gui)格(ge)承(cheng)壓(ya)部(bu)尺(che)寸(cun)D1為(wei)φ85 | |||||||||||||||||||||||||||||
| 六(liu).導(dao)壓(ya)係(ji)統(tong)及(ji)外(wai)殼(qiao)等(deng)主(zhu)要(yao)零(ling)件(jian)的(di)材(cai)質(zhi) | |||||||||||||||||||||||||||||
|
|||||||||||||||||||||||||||||
|
|||||||||||||||||||||||||||||
|
|||||||||||||||||||||||||||||
|
|||||||||||||||||||||||||||||
![]() |
材(cai)料(liao)檢(jian)驗(yan)
產(chan)品(pin)質(zhi)量(liang),我(wo)們(men)從(zong)源(yuan)頭(tou)抓(zhua)起(qi)。 |
![]() |
生(sheng)產(chan)中(zhong)檢(jian)驗(yan)
每(mei)個(ge)環(huan)節(jie)我(wo)們(men)都(du)注(zhu)重(chong)品(pin)質(zhi)的(di)保(bao)證(zheng)。 |
![]() |
成(cheng)品(pin)檢(jian)驗(yan)
確(que)保(bao)每(mei)一(yi)款(kuan)產(chan)品(pin)都(du)能(neng)為(wei)您(nin)創(chuang)造(zao)價(jia)值(zhi)。 |
? | ||||||
|
地(de)址(zhi):上(shang)海(hai)浦(pu)東(dong)新(xin)區(ou)川(chuan)沙(sha)路(lu)500號(hao)
|
![]() |
您(nin)可(ke)掃(sao)描(miao)左(zuo)側(zhai)的(di)二(er)維(wei)碼(ma) 關(guan)注(zhu)我(wo)們(men) 公(gong)司(si)名(ming)稱(chen):陽(yang)康(kang)儀(yi)表(biao) 關(guan)注(zhu)陽(yang)康(kang)儀(yi)表(biao)最(zui)新(xin)動(dong)態(tai) 備(bei)案(an)號(hao):滬(hu)ICP備(bei)14007805號(hao)-4 |
友(you)情(qing)鏈(lian)接(jie): |